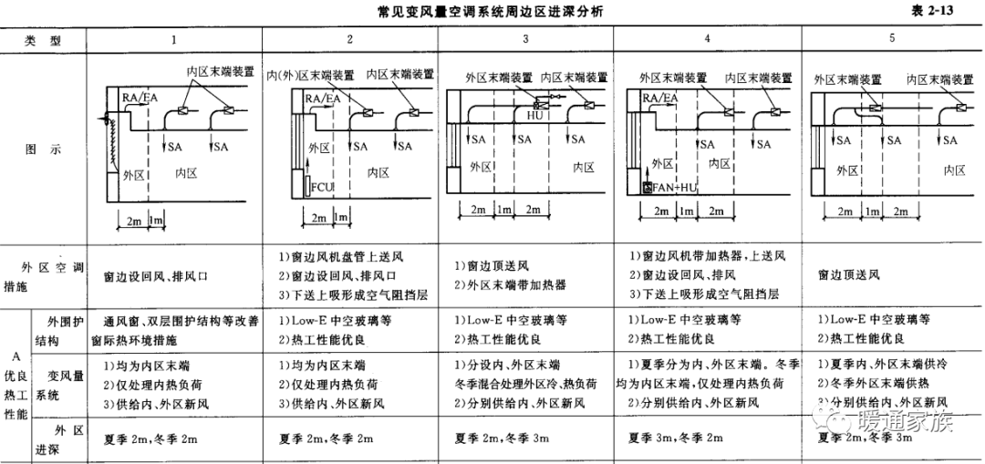
常见变风量空调系统周边区进深分析,是多数暖通设计师的知识盲区
标签:
暖通暖通工程师暖通空调暖通设计暖通设计杜老师 |
现代化办公楼变风量空调系统设计的基本思路是对各种负荷分别处理。譬如,内、外区负荷分别处理;冷、热负荷分别处理;不同温度控制区的负荷分别处理。因此,为了提高热舒适性,保证各空调区域的新风供给量,根据建筑与负荷情况合理地进行空调分区十分重要。
同一建筑内,各区域由于围护结构构造、朝向和使用时间上的差异,会产生不同的瞬时建筑负荷,各区域功能及使用情况的差异也会造成不同的内热负荷。在负荷分析基础上,根据空调负荷差异性,合理地将整个空调区域划分成若干个温度控制区,称为空调分区。分区的目的在于使空调系统能有效地跟踪负荷变化,改善室内热环境和降低空调能耗。
下表是常见变风量空调系统周边区进深分析。

加载中…