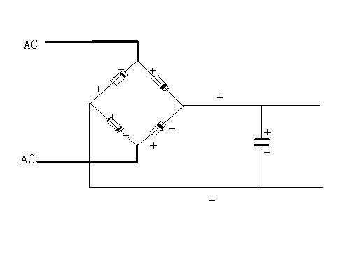
如何判断整流桥的正负极
整流桥错误的测试方法:用电表的电阻档来测二极管的通断,电表的红表笔是负电压,黑表笔是正电压,这种情况下会把测试结果为:二极管的正极是负的而负极是正的。
http://www.szchenda.com/UploadSysFiles/Images/5d6034a85edf8db12474e4590b23dd54564e74b1.jpg
查看原文:http://www.szchenda.com/cn/news/20170217101937.html
公司网址:
http://www.szchenda.com
https://www.szchendadz.1688.com/
http://www.microdiode.com/
电话:0755-82727166
前一篇:整流二极管电路
后一篇:如何纠正整流二极管电路?

加载中…