UC3842电源的原理维修及检测方法
标签:
uc3842电源的原理维修杂谈 |
UC3842电源的原理维修及检测方法
UC3842工作原理
下图为UC3842 内部框图和引脚图,UC3842 采用固定工作频率脉冲宽度可控调制方式,共有8 个引脚,各脚功能如下:
① 脚是误差放大器的输出端,外接阻容元件用于改善误差放大器的增益和频率特性;
② ②脚是反馈电压输入端,此脚电压与误差放大器同相端的2.5V 基准电压进行比较,产生误差电压,从而控制脉冲宽度;
③ ③脚为电流检测输入端, 当检测电压超过1V时缩小脉冲宽度使电源处于间歇工作状态;
④ ④脚为定时端,内部振荡器的工作频率由外接的阻容时间常数决定,f=1.8/(RT×CT);
⑤ ⑤脚为公共地端;
⑥ ⑥脚为推挽输出端,内部为图腾柱式,上升、下降时间仅为50ns 驱动能力为±1A ;
⑦ ⑦脚是直流电源供电端,具有欠、过压锁定功能,芯片功耗为15mW;
⑧ ⑧脚为5V 基准电压输出端,有50mA 的负载能力。
http://www.hqew.com/file/tech2/pic/2012/0316/20%3Ca%20href=
UC3842 内部原理框图
UC3842是一种性能优异、应用广泛、结构较简单的PWM开关电源集成控制器,由于它只有一个输出端,所以主要用于音端控制的开关电源。
UC3842 7脚为电压输入端,其启动电压范围为16-34V。在电源启动时,VCC﹤16V,输入电压施密物比较器输出为0,此时无基准电压产生,电路不工作;当Vcc﹥16V时输入电压施密特比较器送出高电平到5V蕨稳压器,产生5V基准电压,此电压一方面供销内部电路工作,另一方面通过⑧脚向外部提供参考电压。一旦施密特比较器翻转为高电平(芯片开始工作以后),Vcc可以在10V-34V范围内变化而不影响电路的工作状态。当Vcc低于10V时,施密特比较器又翻转为低电平,电路停止工作。
当基准稳压源有5V基准电压输出时,基准电压检测逻辑比较器即达出高电平信号到输出电路。同时,振荡器将根据④脚外接Rt、Ct参数产生f=/Rt.Ct的振荡信号,此信号一路直接加到图腾柱电路的输入端,另一路加到PWM脉宽市制RS触发器的置位端,RS型PWN脉宽调制器的R端接电流检测比较器输出端。R端为占空调节控制端,当R电压上升时,Q端脉冲加宽,同时⑥脚送出脉宽也加宽(占空比增多);当R端电压下降时,Q端脉冲变窄,同时⑥脚送出脉宽也变变窄(占空比减小)。UC3842各点时序如图所示,只有当E点为高电平时才有信号输出
,并且a、b点全为高电平时,d点才送出高电平,c点送出低电平,否则d点送出低电平,c点送出高电平。②脚一般接输出电压取样信号,也称反馈信号。当②脚电压上升时,①脚电压将下降,R端电压亦随之下降,于是⑥脚脉冲变窄;反之,⑥脚脉冲变宽。③脚为电流传感端,通常在功率管的源极或发射极串入一小阻值取样电阻,将流过开关管的电流转为电压,并将此电压引入境脚。当负载短路或其它原因引起功率管电流增加,并使取样电阻上的电压超过1V时,⑥脚就停止脉冲输出,这样就可以有效的保护功率管不受损坏。
UC3842应用电路图:
http://www.hqew.com/file/tech2/pic/2012/0316/20121119045335544372258.jpg
开关电源3842检修流程
使用3842的开关电源外围大同小异,检修方法基本一样,
以下流程检修的前提:开关管无短路,开关管对地限流保护电阻无开路,在通电时开关管不会马上击穿,切记:
1、先测3842(7)脚的15V供电是否正常:
没有电压,就检查启动电阻,或启动电路(部分机型7脚供电使用单独的一个二极管整流),或7脚对地稳压管短路;
有电压但是高,换(7)脚对地滤波电容,100UF/50V;
有电压但是电压低且波动,3842的调整电路故障。
2、7脚电压正常;关机测300V电压消失速度:
能很快消失,那电源起振,检查(3)脚对地1K电阻和对地稳压管;
电压不消失,故障点为3842未起振,检查3842(1)(2)脚外围电阻、电位器和更换3842自身。
3、7脚电压低且波动:
重点检查FBT同步反馈电路的二极管;
有光耦的机型检查后级光耦输入端,重点检查IC(LM431)周边。
UC3842系列构成的电源结构简单、保护性能完善』特别适用于小型化』因此他代替了很多数字仪表、家电、办公设备中的线性电源。
UC3842主要有振荡器、误差放大器、电流检测比较和锁存、欠压封锁、输出电路、基准电压电路等组成。片内可调的充放电振荡电路可精确的控制占空比』振荡器的工作频率由外接定时电容和电子决定。采用电流操作』并可在500KHZ以下工作』内有5伏精密基准电压具有完备的欠压、过压及过流保护。启动阀值为16伏』关闭为10伏。6伏的关闭差值』有效的防止电路在阀值附近产生振荡。
UC3842的管脚功能:
1、
补偿脚』是误差放大器的输出端』用于回路补偿。2、电压反馈脚』是误差放大器的返相输入端』他通常通过电阻分压器与输出端相连。3、电流检测脚。4、振荡。通过外间RC控制振荡频率和最大输出占空比』频率可达500KHZ。5、接地脚。6、输出。此脚直接驱动场效应管的栅极』此脚变换的峰值电流可达1A。7、电源脚。是芯片的正电源。8、基准电压输出端通过电阻给振荡电容提供充电电流。
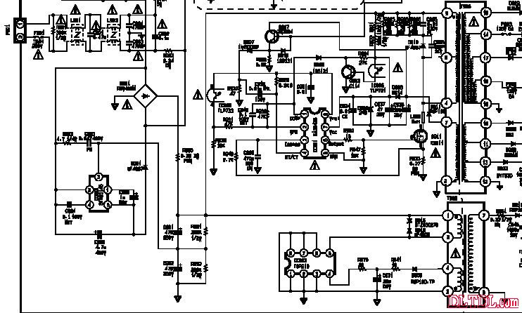
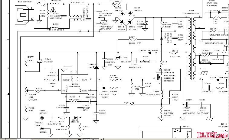
下边是3842构成一典型电源
http://www.hqew.com/file/tech2/pic/2012/0316/20121119045335606872259.jpg
启动电路由R517、ZD520等组成』市电经D512、514、515、516、C510整流滤波后因R517直接给IC502的7脚提供一17伏左右的启动电压』ZD502的参与有效的防止了高电压对IC502的冲击』有效的保护了IC502。
由于7脚得到了额定的工作电压IC502其内部电路开始工作』6脚输出开关脉冲』通过R520驱动开关管Q520的栅极』使Q520进入了周期性的振荡状态』此时IC502的工作电压便有开关变压器T501的1-2绕组的感应脉冲经D502、C521等整流滤波后提供』这样更利于了IC502内部欠压、过压功能的实现。同时这个电压又经过R507、R508分压、VR501、R525取样后加到IC502的2脚』经内部电路比较放大后控制6脚输出脉冲的宽度』以达到自动稳压的目的。
R523是电路的过流取样电阻』当负载电流增大时』R523两端的电压升高』这个升高的电压经R522加到了IC502的3脚控制其内部电路以达到过流保护的目的。
对于易损件的分析:
我们在维修中都有这样的经验』往往那些电压高、电流大、发热量的区域都是故障的高发区域。这个规律适用于大多数的电子电路』在显示器电源电路中首当其冲的就是开关管』虽然3842有着完善的保护功能』但在实际中开关管击穿、炸裂等故障还是比比皆是』出现这些情况』过流取样电阻大多都脱不了关系』所以在遇到这些情况的时候』顺便检查一下此电阻可不要忘记。由于此电阻阻值小』要求精度高』当我们更换有关电路的其他元件时』由于这些元件参数的差异
也可能导致过流电路的误动作』此时我们应精细的调整阻值。
对于保险丝完好』元件没有明显热损坏的三无机器』我们应首先测量3842的7脚工作电压』常见故障有R517启动电阻断路』18伏稳压管击穿等』C521是3842的电源滤波电容』虽然他出现故障相对少一些』但他促成的一些故障现象更应注意』他容量的大小及漏电程度的大小可造成式输出电压高、启动难、不启动等一系列故障。
7脚电压正常6脚无输出』大多都是保护电路动作了』我们通过测量2、3脚电压很容易就能区分出来』在保护取样电路中半可变电阻容易随着时间的推移而出现接触不良致使电压升高』或电压不稳定』对于过流保护的电阻』他的重要性我们前面已说过。R520的阻值变大容易造成开关管发热量大的故障』遇到过热的毛病不防查他一下。
有些机器开机即烧管』浪费了我我们大量的时间和金钱』对于这样的机器我们可先不上开关管』通过测量3842的各脚电压来确定他的工作状态是否正常』一般来说1脚0.6-2伏、2脚2伏左右、3脚0伏、4脚1伏左右、5脚0伏、6脚0.5-2伏左右、7脚在12伏左右跳动』8脚在2
伏左右。由于各机型参数不尽相同』可能会有些差异。只要在正常范围内就可接管进行试验』但不要忘了采取一些保护措施。
以下是几种由3842构成的电源』虽然在辅助电路上各部分相同』但万变不离其宗』你可以对照着比较一下』这样对于以后分析电路也许有点帮助。以上分析如有错误敬请同行指正』期待着与大家共同进步!
http://www.hqew.com/file/tech2/pic/2012/0316/20121119045335653742260.jpg
http://www.hqew.com/file/tech2/pic/2012/0316/20121119045335684992261.jpg

加载中…