6个经典的PLC程序实例,学会不求人!
标签:
工业水处理环保活性污泥生产污水处理 |
分类: 环保水处理 |
更多关注公号:环保水处理(hbscl01)
一、PLC实例-交通信号灯
1、交通信号灯控制PLC配置示意图
2、交通信号灯系统正常工作时序图
3、实现主干道信号灯控制的梯形图
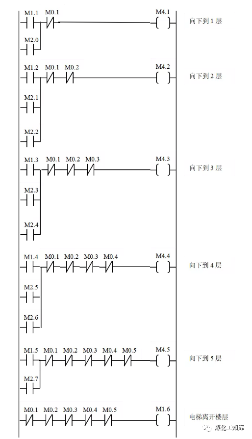
二、PLC实例—五层电梯控制
1、五层电梯控制PLC配置图
2、实现五层电梯换向和换速控制的梯形图
三、PLC实例-星—角降压启动电机控制
1、星—角降压启动电机控制原理图
2、电机控制PLC配置图
3、实现电机控制的梯形图
四、PLC实例—恒压供水
1、恒压供水控制PLC配置图
2、恒压供水系统控制梯形图
五、PLC实例—液体混合系统
1、液体混合系统PLC配置示意图
2、液体混合系统控制梯形图
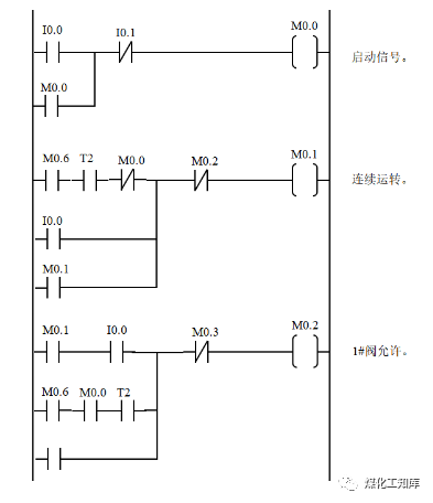
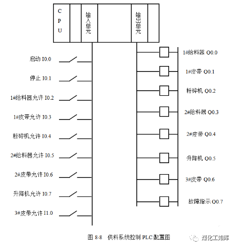
六、PLC实例—供料系统启停控制
1、供料系统启停控制工艺要求
2、供料系统控制PLC配置图
3、供料系统控制梯形图
前一篇:芬顿工艺的影响因素及应用!

加载中…