伊顿威格士PVH074高压柱塞泵技术参数
标签:
pvh057pvh074pvh098pvh131pvh141 |
分类: 液压泵 |
PVH057,PVH074,PVH098,PVH131,141
EATON VICKERS IH
MARZOCCHI STAFFA
hydraulcs valve and pumps.
伊顿威格士液压泵阀 英国IH螺纹插装阀,意大利马祖奇齿轮泵,英国STAFFA 船用马达,日本伊顿DOMAX
ME马达.
Wechat /MP /Whatsapp 13818680070
Hollis Wang
QQ: 728894343
MAIL: owenhydro@126.com
TEL: 0086-21-3990539
上海偶园液压创立于2006年, 主营伊顿威格士(EATON VICKERS)
液压泵,阀,马祖奇齿轮泵。 公司位于:上海市嘉定区丰饶路600号
Shanghai Owen hydraulics was built in 2006,Tel:
0086-21-39905839 mail: owenhydro@126.com We are a professional
sales distributor of Eaton Vickers in Shanghai.We have
large stock of Eaton products
:PVH,PVQ,DG4V3,KBFDH,SV13,ICE120,RV3,CVCS,2520V.......
http://s6/bmiddle/001ShHztzy7g0f7P71j65&690
伊顿威格士PVH高压柱塞泵 技术参数
http://img.china.alibaba.com/img/ibank/2017/241/359/6434953142_979248773.jpg
http://img.china.alibaba.com/img/ibank/2017/634/413/6438314436_979248773.jpg
http://img.china.alibaba.com/img/ibank/2017/673/539/6434935376_979248773.jpg
|
Model code |
Displacement | 最大流量 | 最大转速 | 额定压力 | Weight |
| cm3 |
l/min |
RPM | bar | kg | |
| PVH057 | 57,4 | 98 | 1800 | 250 | 30-36 |
| PVH074 | 73,7 | 125 | 1800 | 250 | 39-45 |
| PVH098 | 98,3 | 170 | 1800 | 250 | 43-49 |
| PVH131 | 131,1 | 223 | 1500 | 250 | 60-66 |
| PVH141 | 141,0 | 236 | 1500 | 230 | 60-66 |
| |
|||||
http://img.china.alibaba.com/img/ibank/2017/241/359/6434953142_979248773.jpg
http://img.china.alibaba.com/img/ibank/2017/634/413/6438314436_979248773.jpg
http://img.china.alibaba.com/img/ibank/2017/673/539/6434935376_979248773.jpg
https://cbu01.alicdn.com/cms/upload/2015/152/392/2293251_39245877.jpg特征描述
带有摇摆式斜盘,对液压回路具有很快的响应速度。
规格:排量范围从57cc到141cc,最大转速1800RPM,最大压力250Bar。
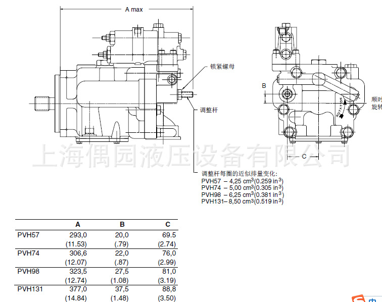
https://cbu01.alicdn.com/cms/upload/2015/152/392/2293251_39245877.jpg图纸
https://cbu01.alicdn.com/img/ibank/2016/096/967/2710769690_979248773.jpg
https://cbu01.alicdn.com/img/ibank/2016/081/922/2709229180_979248773.jpg
https://cbu01.alicdn.com/img/ibank/2016/096/967/2710769690_979248773.jpg
https://cbu01.alicdn.com/img/ibank/2016/081/922/2709229180_979248773.jpg
威格士PVH高压柱塞泵
前一篇:欢迎您在新浪博客安家

加载中…