2021年天津大学811电路考研题库
标签:
天津大学考研电路 |
分类: 考研资料 |
一、选择题
1.图1-1所示电路中的电压源和电流源提供的功率分别为( )。[南京航空航天大学2012研]
A.4W
B.4W
C.4W
D.-4W
【答案】D查看答案
【解析】由电流源发出电流可知,回路中电流为逆时针1A电流,电阻消耗功率为http://e.100xuexi.com/uploads/ebook/85f387169e4949bfb76ee44c973eef7e/mobile/epub/OEBPS/Html.files/image005.png。
图1-1
2.如图1-2所示二端网络的电压电流关系为( )。[电子科技大学2012研]
图1-2
【答案】C查看答案
【解析】由节点KCL有流过http://e.100xuexi.com/uploads/ebook/85f387169e4949bfb76ee44c973eef7e/mobile/epub/OEBPS/Html.files/image013.png。
3.电路如图1-3所示,开关S自打开到闭合,电路内发生变化的是( )。[电子科技大学2012研]
图1-3
C.电压源的功率
D.电流源的功率
【答案】D查看答案
【解析】开关S打开到闭合,左端干路上电流没有变化,电路上只有1Ω电阻的电流发生了变化,由http://e.100xuexi.com/uploads/ebook/85f387169e4949bfb76ee44c973eef7e/mobile/epub/OEBPS/Html.files/image017.png变为0。其消耗的功率仅由电流源提供,故电流源功率发生了变化。
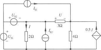
4.Nhttp://e.100xuexi.com/uploads/ebook/85f387169e4949bfb76ee44c973eef7e/mobile/epub/OEBPS/Html.files/image019.png均为含源线性电阻网络,在图示电路中3Ω电阻的端电压U应为(
图1-4
A.不能确定
B.-6V
C.2V
D.-2V
【答案】C查看答案
【解析】如图1-5所示。
图1-5
a点的电流方程为
网孔的电压方程为
可解出
则
5.如下图所示的电路中,影响U值的独立源应是( )。[上海交通大学2005研]
图1-6
更多资料可百度橙芝学习网或点此查看相关资料→→2021年天津大学811电路考研辅导资料←←

加载中…