游泳馆暖通空调的冷热源设计,要注意什么,本文最强总结值得学习
标签:
暖通暖通工程师暖通空调暖通设计暖通设计杜老师 |
一、冷源设计
比赛用游泳馆,冷源设计应考虑赛时和赛后不同的使用情况。冷源设计既要满足赛时需求,也需满足赛后分散管理、计量收费的运营需求,降低体育建筑空调使用能耗。比赛用游泳馆冷源设置原则如下:
1、游泳馆比赛池、跳水池、热身池、观众看台、观众入口门厅、观众休息大厅等体育比赛用房可采用集中冷源。若热身池赛后改造为对外开放的游泳池,也可以单独设置冷源,如有条件时采用除湿热泵方案。
2、游泳馆配套的附属用房,若赛后确定改造为商业用房,可设置分散冷源,如采用变冷媒多联分体空调系统。
3、体育场馆以商养馆的配套商业建筑,可单独设置分散冷源,如采用变冷媒多联分体空调系统。
4、比赛用游泳馆分散冷源设计示意图如下(暖通设计在线教学杜老师)。
二、热源设计
热源形式应结合当地能源结构、价格政策、环保规定等条件,经过综合论证确定。有条件的地区应优先选用太阳能、热泵、工业余热、废热作为热源。
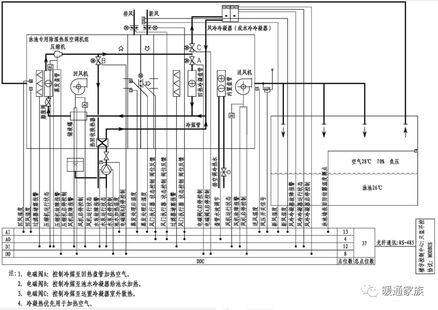
三、康乐用游泳馆有条件时可以采用泳池除湿热泵作为空调冷热源
1、泳池除湿热泵机组采用热泵技术为游泳馆提供空间环境的温湿度控制。当泳池的高温高湿空气被机组冷却和除湿时,其所含的显热和潜热被回收利用,回收来的热量被用来加热送风,也可用于池水加热。暖通设计杜老师,正常运行时,当湿度高于设定值时,热泵除湿启动;在需要加热的季节,除湿热泵机组可给空气和池水加热;当除湿热泵机组提供热量不足以维持空气和池水温度时,机组输出信号启动空气和池水辅助加热;在不需要加热的季节,机组自动启动远置的风冷冷凝器(或冷却塔、或冷冻水冷凝器),将除湿过程中吸收的热量以冷媒为介通过远置冷凝器释放到室外,起到机组给室内空气制冷的作用。
2、泳池除湿热泵系统图和控制原理图如下。

加载中…