两个完全相同的空气开关串联,电路中发生短路,这两个空气开关是同时跳还是其中一个先跳?
| 分类: 贵州长征百科 |
在知乎冲浪,偶然发现了这个问题。先简单回答一下:这里面的知识量很大,是一门很有深度的学问。(1)
什么叫做保护的分级和保护的选择性我们来看下图:https://pic2.zhimg.com/363eee3cc28328538df6b7e921a60265_b.jpg此图系我用ACAD即时
绘制。此图系我用ACAD即时绘制。先说明一下:空气开关的正确名称是断路器,它的符号是QF。在实际绘
图时分别编号为QF1、QF2、……,等等。图中我们看见的是两个相互关联的上下级配电系统,两个系统中间
用电缆连接。我们来看图中各故障点发生短路后,由哪些断路器来执行线路保护。1)当上级配电系统在母线
处的短路点1发生了短路事故,这时执行线路保护的是系统总进线断路器QF1;2)当上级配电系统在短路点
2发生了短路事故,这时必须由距离故障点最近的断路器来执行线路保护。原因很简单:如果依然是主进线断
路器QF执行线路保护,则其它许多出线回路都同时停了电,这显然不合适。我们把因为某处的故障引起全系
统失压(也即停电)称为事故扩大化。3)当短路点3出现故障时,这时应当哪个断路器来执行线路保护呢?
答案是由上级配电系统的出线断路器来执行线路保护。我们看到,在短路点3有一条配电电缆,它的上端是上
级配电系统的出线断路器,它的下端是下级配电系统的进线断路器。电缆的过载保护和短路保护是由上级配
电系统的出线断路器来执行的。我们看到,在电缆的上端和下端都有断路器,它们属于串联的关系。上级断
路器的任务是保护电缆,而下级断路器的任务是保护下级配电系统,两者的保护对象十分明确,动作关系也
十分明确。4)当下级配电系统的出线侧短路点4发生了故障,这时执行短路保护的应当是QF4,而不是QF3
,原因已经很明确了。如果短路点4的故障十分严重,则在QF3执行保护的同时,其上级断路器QF2也会执行
保护。这种依据故障电流的大小而执行的保护措施被称为短路保护的选择性。选择性保护关系是上下级断路
器对配电线路实施故障保护配合的一项重要措施。(2)断路器保护曲线看下图:https://pic3.zhimg.com/a332e11704270a8b7bc9c9d0d1f0be0e_b.jpg此图系我用ACAD即时绘制。此图系我用
ACAD即时绘制。图1的坐标系中,横坐标是电流,纵坐标是时间,此坐标系中的图像被称为时间电流特性曲
线,它用于描述断路器保护特性。我们看图1:时间与电流的关系是电流的-2次方,因此t(I)函数曲线是递减
的。当电流很小时,动作时间很长;反之,电流很大时,动作时间很短。这就是断路器执行保护的反时限特
征。我们再来看图2:在这里,我们看到t(I)函数曲线被分成2段,较高的一段称为过载保护L参数,它是反时
限的;第二段是短路保护I参数区域,它的曲线是直线。这就是我们通常所见到断路器的保护特征,又被称为
两段保护。现在我们来看看实际的断路器保护曲线:https://pic2.zhimg.com/e10b6034bd262aa2f5b72d0c6086c865_b.jpg此图是ABB的Tmax系
列塑壳断路器的保护曲线,为样本摘录。此图是ABB的Tmax系列塑壳断路器的保护曲线,为样本摘录。图中
我们看到了红色的L区域,还有绿色的短路保护S区域,它们的特征都是反时限的;我们还看到了黄色的短路
保护I区域,它的特征是定时限的。我们再看下图:https://pic2.zhimg.com/d660b4f4a35e7af79c31064350d830e1_b.jpg此图摘自我的书稿。
此图摘自我的书稿。这张图说明了各段保护的函数关系。我来解释一下:对于红色的过载保护,因为线路过
载有程度之分,因此保护动作采取较轻过载的保护时间较长,较重过载的保护时间较短。特别地,当过载电
流与额定运行电流的比值等于1时,这时保护动作的时间为无穷大,也即不保护。对于绿色的S短路保护,它
分成两种方式:其中之一的时间与电流的-2次方成正比,体现了反时限特征。这种短路保护方式体现了选择
性。也就是说,若此断路器用于上级配电系统,当线路出现短路故障时,上级配电系统的短路保护可以延迟
一段时间再执行,以等待下级配电系统的断路器先执行短路保护。这就是短路保护的选择性,也即反时限保
护模式。我们还看到绿色的S短路保护有水平线部分,它的保护方式与电流大小无关,只要短路电流达到一定
的规模,则断路器就执行线路保护。这件做定时限保护模式。我们再看黄色的I短路保护。它是定时限的,专
用于严重短路故障保护。右图是断路器执行单相接地故障时的动作模式,也分为反时限和定时限。反时限用
于上下级选择性配合关系,定时限则用于直接动作。对于I参数的保护动作时间,一般是15毫秒,对应的电流
值为数十千安到数百千安。一般来说,若有两个相同型号相同规格的断路器用作上下级的保护,则上级断路
器的保护电流整定值要比下级的值大1.5倍,动作时间要长70毫秒。有时,为了便于调整,上级断路器采用LS
两段保护,下级断路器采用LI保护。这里的S为短路短延时保护,由于有了一定时间长度的延时,所以上级断
路器在同等条件下保护动作时间会后延;下级采用了I参数短路保护,属于瞬时动作性质,它的动作时间最快
为15毫秒,所以下级开关会先动作。========================以下文字摘自我的评论回复中
:1)不管是在上级配电系统也好,在下级配电系统也好,进线断路器与出线断路器之间都存在选择性保护关
系。因此当本级内的出线侧发生短路故障时,其上游处的出线断路器应当先跳闸。要实现这一点,采取的措
施有几个:第一:因为进线断路器的额定电流大,即时短路保护的I参数调整倍数相同,例如都是5倍额定电
流,但结果一定是出线断路器先跳闸。2)在长电缆两端的断路器,一般来说上端断路器的保护采用LS,下
端断路器的保护采用LI,这样一来,当电缆末端配电系统中发生短路时,一定是下端进线断路器先跳闸,上
端断路器后跳闸。因此,上级断路器可以认为下级断路器的后备保护。3)如果线路中有多级保护,则各极的
电流比为1.5,时间相差70毫秒。举例,最下级的断路器动作电流为1kA,时间为15毫秒,其上一级断路器的
动作电流为:1.5X1=1.5kA,动作时间为15+70=85毫秒。从最上级到最下级的级别数不得超过7级。4)在
实用中,还可以采用不同的动作倍率来实现。5)保护协调中不但有选择性保护配合关系,还有后备保护关系
。举例,对于某断路器自身,它既有短路保护,也有欠压保护。当发生了短路事故后,在一级配电设备中电
压基本不变,但下级配电设备中的电压会降低,最多会降低到额定电压的30%。此时若某断路器的短路保护
拒动失效,则欠压保护会在延迟一段时间后动作。因此,欠压保护是短路保护的后备保护。后备保护也可以
在不同的断路器之间进行。例如下级开关只有过载保护,短路保护委托给上级开关,于是上级开关的短路保
护就是下级开关的后备保护。以上只是一般性原则,具体要根据现场实际来灵活设置上下级断路器之间的保
护选择性。=========================下图为对电动机保护的断路器动作曲线说明:https://pic1.zhimg.com/a55232c04f09927f838a5e2749cb0198_b.jpg此图摘自我的书稿。此
图摘自我的书稿。从图中我们可以看到各段保护的曲线及简单的说明。由于所涉及到的知识较多,其细节描
述与主题关系不是很大,故略去。(3)结论从以上描述中我们看出,题主给出的问题具有比较深的知识内涵
。事实上,对于读电气专业的本科生来说,在继电保护课程中有相当多的内容与保护的选择性有关。对于低
压配电系统来说,反时限保护的设定更是设计人员和电气工作者们日常必需接触到的基本技能。可以说,若
不懂得保护的选择性,就相当于配电行业里的弼马温,只能是一个未入流的门外汉。最后,给大家看一张图
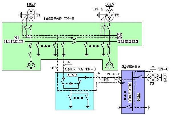
,大家来判断图中各个断路器之间有何种保护配合关系?以及对应的选择性关系?https://pic1.zhimg.com/af76317c1931e430a1cbdc5811eba7a4_b.jpg此图摘自我的实际工
程技术协议,用于说明ATSE与接地系统的关系。此处用来说明选择性。此图摘自我的实际工程技术协议,用
于说明ATSE与接地系统的关系。此处用来说明选择性。对于题主来说,他看到的也许只是两个断路器串联,
然后控制数米长导线外的一盏灯。在这种情况下,哪个开关先跳是由开关内部的脱扣器动作特性决定的。对
于供电公司或者设计院的工程师来说,他们看到的也许就是某个单位或者某个城区供电的线路了。例如变电
站某路输出断路器和远处某个企业或者城区的开闭所内的进线断路器,以及它们中间的连接电缆。在这种情
况下,哪个开关先跳就要由故障的性质和应对措施来决定的,具有了选择性。对于我来说,我看到的只是我
日常工作的一部分而已。我们日常工作中,天天和设计图纸打交道,天天和不同工程中的断路器保护配合关
系进行计算和设定,都已经习惯成自然了。对于读电气专业的学生来说,这些道理可不就是他们梦寐以求的
入职电网后的工作吗?正应了一句话:外行看热闹,内行看门道,大有隔行如隔山的感觉。

加载中…